
| Grundlagen zum technischen Zeichen |
|
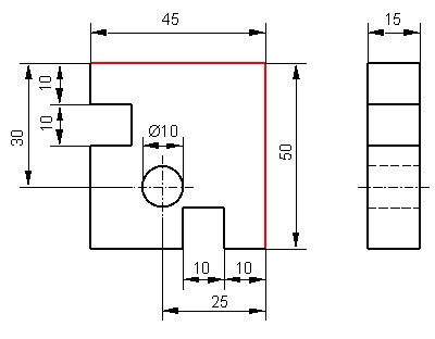
Bei der Bemaßung von flachen Werkstücken gilt es darauf zu achten, dass Maßbezugskanten (im Bild rot dargestellt) festgelegt werden. Von der Maßbezugskante aus werden nun alle Lagemaße (Lage der Bohrung und Nut) bemaßt. Es ist jedoch darauf zu achten, dass es sich bei Maßbezugskanten um bearbeitete Flächen handelt, um die Maße genau bestimmen zu können. ![]() |