Bartmann Total Solutions in Steel Buildings


Grundlagen zum technischen Zeichen



Form- und Lagetoleranzen


Form- und Lagetoleranzen

Form- und Lagetoleranzen werden nur dann verwendet, wenn es aus Funktionsgründen
oder Fertigungsgründen erforderlich ist, da jede Form- bzw. Lagetoleranz erhebliche
Kosten verursacht.

FORMTOLERANZEN:
Geradheit
Bsp.: Die tolerierte Achse des zylindrischen Teils muss in
einem Zylinder von d=0,02 mm liegen.
Ebenheit
Bsp.: Die tolerierte Fläche muss zwischen zwei parallelen
Ebenen (Abstand 0,15 mm) liegen.
Rundheit
Bsp.: In allen Schnittebenen senkrecht zur Mittelachse muss
die Umfangslinie zw. zwei konzentrischen Kreisen
(Abstand 0,05 mm) liegen.
Zylinderform
Bsp.: Die tolerierte Mantelfläche des zylindrischen Teils
muss zw. zwei koaxialen Zylindern (Abstand 0,25
mm) liegen.
Linienform
Bsp.: Das tolerierte Profil muss zw. zwei Hülllinien
liegen, deren Abstand von Kreisen (d=0,04 mm)
definiert wird (Mittelpunkt der Kreise auf geom.
idealer Linie).
Flächenform
Bsp.: Die tolerierte Fläche muss zw. zwei
Hüllflächen liegen, deren Abstand durch Kugeln
(d=0,15 mm) definiert wird (Mittelpunkte der Kugeln
auf geom. idealer Fläche).


LAGETOLERANZEN:

Richtungstoleranzen:
Parallelität
Bsp.: Die tolerierte Achse muss in einem
Zylinder von d=0,04 mm liegen,
der parallel zur Bezugsachse A ist.
Rechtwinkligkeit
Bsp.: Die tolerierte Zylinderachse muss in
einem zur Bezugsfläche senkrechten
Zylinder mit Durchmesser d=0,3 mm
liegen.
Winkligkeit
Bsp.: Die tolerierte Neigungsfläche muss
zw. zwei zur Bezugsachse A geneigten
parallelen Ebenen mit Abstand 0,25 mm
liegen. (Der geometr. ideale Winkel
muss 45° aufweisen)
Ortstoleranzen:
Position
Bsp.: Der tatsächliche Bohrungsmittelpunkt
muss in einem Kreis mit d=0,25 mm
liegen, dessen Mittelpunkt mit dem
theoretisch exakten Ort der Bohrung
übereinstimmt.
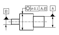
Konzentrizität und Koaxialität
Bsp.: Die Achse des tolerierten Wellenteils
muss in einem zur Bezugsachse A-B
koaxialen Zylinder mit d=0,1 mm
liegen.
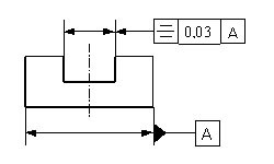
Symmetrie
Bsp.: Die tolerierte Mittelebene der Nut muss
zw. zwei parallelen Flächen (Abstand
0,03 mm) liegen, welche symmetrisch
zur Ebene A der bemaßten
Außenflächen angeordnet sind.
Lauftoleranzen:
Rundlauf
Bsp.: Bei einer Umdrehung des Zylinders um
die Bezugsachse A-B, darf die
Rundlaufabweichung in jeder einzelnen
Messebene senkrecht zu A-B 0,4 mm
nicht überschreiten.
Planlauf
Bsp.: Bei einer Umdrehung des Zylinders um
die Bezugsachse A-B, darf die
Planlaufabweichung in jedem
Messpunkt 0,2 mm nicht
überschreiten.
Gesamtlauftoleranzen:
Rundlauf
Bsp.: Bei mehrfacher Drehung um die
Bezugsachse A-B und gleichzeitiger
axialer Verschiebung, müssen alle
Messpunkte der Oberfläche in der
Gesamtrundlauftoleranz 0,2 mm liegen.
Planlauf
Bsp.: Bei mehrfacher Drehung um die
Bezugsachse A-B und gleichzeitiger
radialer Verschiebung, müssen alle
Messpunkte der Oberfläche.





BTSSB Bartmann Total Solutions in Steel Buildings
Casa Mondiale - CH-6745 Giornico / TI - Switzerland
Tel.: 0041-(0)91 864 2230 - FAX: 0041-(0)91 864 2235

E-Mail: info@btssb.ch
URL: http://www.stahlbauteile.com - http://www.stahlbauteile.eu
http://www.pfettenhalter.com - http://www.stahlteile.eu





Impressum l AGB l Datenschutzerklärung l Copyright© BTSSB All rights reserved