Bartmann Total Solutions in Steel Buildings


Grundlagen zum technischen Zeichen



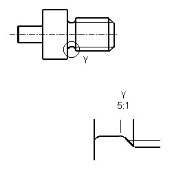
Darstellung von Gewindefreistichen




In der Regel wird ein Gewindefreistich in der Hauptansicht der Zeichnung nur angedeutet, ist aber dann mittels Einzelheit herauszuzeichnen.





BTSSB Bartmann Total Solutions in Steel Buildings
Casa Mondiale - CH-6745 Giornico / TI - Switzerland
Tel.: 0041-(0)91 864 2230 - FAX: 0041-(0)91 864 2235

E-Mail: info@btssb.ch
URL: http://www.stahlbauteile.com - http://www.stahlbauteile.eu
http://www.pfettenhalter.com - http://www.stahlteile.eu





Impressum l AGB l Datenschutzerklärung l Copyright© BTSSB All rights reserved