
| Grundlagen zum technischen Zeichen |
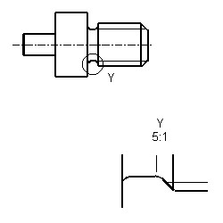
![]() Einzelheiten sind in den Hauptansichten der Zeichnung mit einem Kreis in schmaler Volllinie zu kennzeichnen und zusätzlich mit einem Großbuchstaben vom Ende des Alphabets zu versehen. Die Einzelheit selbst wird dann in einem genormten Maßstab herausgezeichnet und soll mit dem zugehörigen Buchstaben und dem Maßstab beschriftet werden. |