Bartmann Total Solutions in Steel Buildings


Grundlagen zum technischen Zeichen



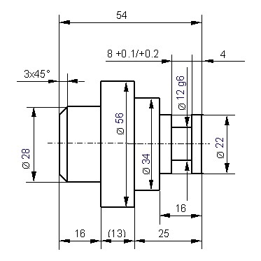
Bemaßung von Wellen und Drehteilen



Eine Welle bzw. Drehteil wird bei einer Einzelteilzeichnung stets in Fertigungslage gezeichnet und bemaßt. Dabei gilt es darauf zu achten, dass sich die Seite mit den meisten bearbeiten Absätzen auf der rechten Seite befindet.

Zusätzlich sollten bei der Bemaßung von Drehteilen die Durchmesser wechselweise rechts und links von der Zylinderachse angetragen werden. Die Länge eines Absatzes wird so bemaßt, wie auf der Drehmaschine gefertigt wird. (Siehe Maße 16 und 25)

Bei speziellen Funktionsmaßen (im Beispiel: Durchmesser "12 g6") kann von letztgenanntem Grundsatz abgewichen werden. Die Breite muss hier eine bestimmte Funktion erfüllen und bekommt daher ein eigenes Funktionsmaß.






BTSSB Bartmann Total Solutions in Steel Buildings
Casa Mondiale - CH-6745 Giornico / TI - Switzerland
Tel.: 0041-(0)91 864 2230 - FAX: 0041-(0)91 864 2235

E-Mail: info@btssb.ch
URL: http://www.stahlbauteile.com - http://www.stahlbauteile.eu
http://www.pfettenhalter.com - http://www.stahlteile.eu





Impressum l AGB l Datenschutzerklärung l Copyright© BTSSB All rights reserved